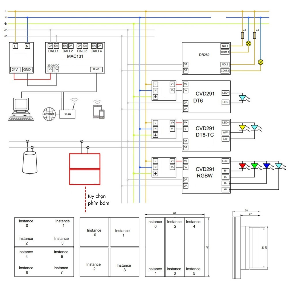
Tổng quan về công tắc 6 phím DALI 2 SP313
- UITIOT SP313 là công tắc cảm ứng 6 phím chuẩn DALI-2, được thiết kế để giao tiếp trực tiếp với các bộ điều khiển chiếu sáng và hệ thống quản lý tòa nhà sử dụng giao thức DALI-2.
- Thiết bị đáp ứng các tiêu chuẩn quốc tế IEC62386-101, 103, 301 và 332, đảm bảo khả năng tương thích cao, phản hồi chính xác và vận hành ổn định trong các hệ thống chiếu sáng thông minh.
Tính năng nổi bật của công tắc 6 phím DALI 2 SP313
- Tương thích hoàn toàn với chuẩn DALI-2, cho phép điều khiển trực tiếp hệ thống chiếu sáng hoặc qua DALI gateway.
- Sáu phím cảm ứng micro-button, tuổi thọ lên đến 300.000 lần nhấn, hỗ trợ cấu hình linh hoạt cho từng phím.
- Hỗ trợ nhiều kiểu thao tác như nhấn, nhấn giữ, nhấn đúp và thả tay, giúp người dùng lập trình các chức năng khác nhau: bật/tắt đèn, điều chỉnh độ sáng, chuyển scene hoặc kích hoạt nhóm đèn.
- Đèn nền phản hồi thông minh tự động giảm sáng khi không thao tác, sáng rõ khi nhấn, đồng thời hiển thị trạng thái phản hồi từ hệ thống chiếu sáng.
- Nguồn cấp qua bus DALI-2 (dòng tiêu thụ 7 mA điển hình, 13 mA tối đa), không cần thêm nguồn phụ, giúp lắp đặt nhanh và gọn.
- Tuân thủ chuẩn IEC62386-332, hỗ trợ phản hồi trạng thái ánh sáng chính xác và điều chỉnh độ sáng đèn nền linh hoạt.
- Vật liệu cao cấp gồm hợp kim nhôm anod, kính cường lực và nhựa PC chống cháy; màu sắc đa dạng: đỏ son, xanh sapphire, vàng champagne, bạc ánh kim, cam lá phong, xám khói và đen cổ điển.
- Tùy chọn panel linh hoạt (đơn, đôi, ba hoặc bốn module) với khung viền đồng màu, phù hợp nhiều phong cách thiết kế nội thất.
Thiết kế của công tắc 6 phím DALI 2 SP313
Hiện tại có các phiên bản màu sắc sau:
- Classic Black
- Sapphire Blue
- Champagne Gold
- Space Silver
- Hermes Orange
- Starry Gray
- Ivory White
- Chinese Red
**Lưu ý: Màu sắc thực tế của phím bấm có thể chênh lệch một chút so với hình ảnh hiển thị do ánh sáng và cài đặt màn hình.
Quý Khách hàng có thể lựa chọn custom phím bấm theo nhu cầu (text/icon)

